What Forklift Mast Roller Bearings Do Forklift mast roller bearings, also calle...
READ MORE
Stock code: 920002
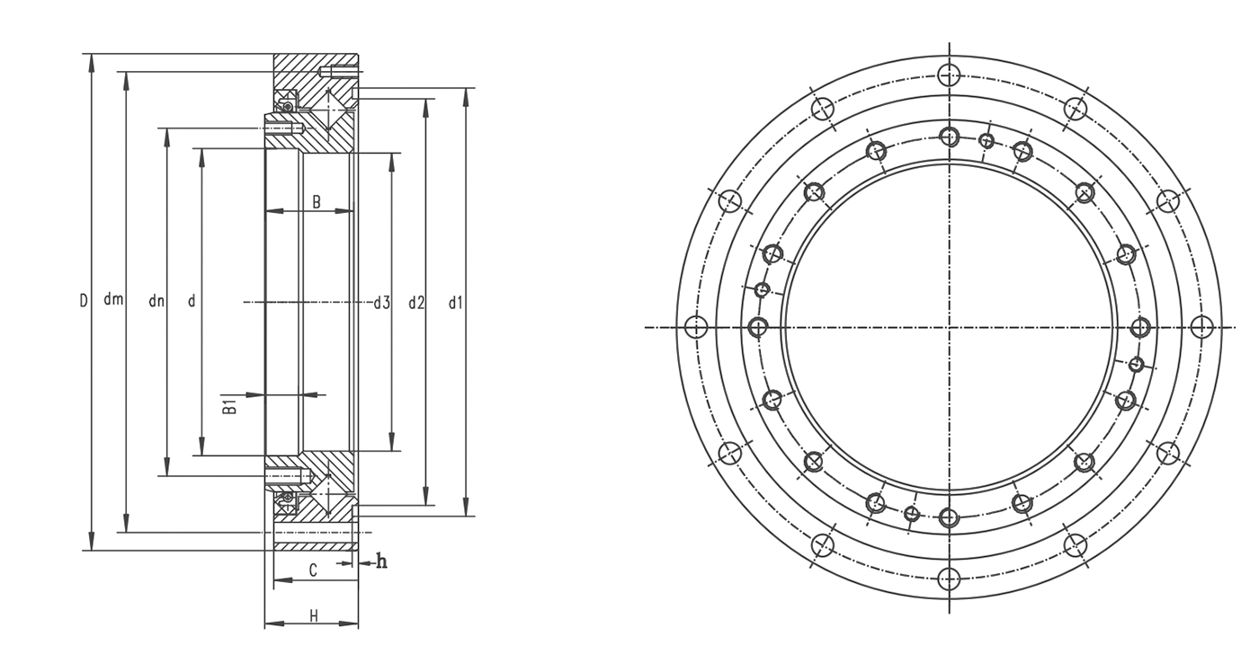
Crossed roller bearings for harmonic reducers can be classified into two main structural types according to their application: split outer ring with integrated inner ring, and both outer and inner rings integrated. The rolling elements are cylindrical rollers arranged perpendicular to each other at 90° within V-shaped raceways. This design enables the bearing to simultaneously withstand loads in all directions, including axial loads, radial loads, and overturning moments. The bearing features high precision, high rigidity, low friction, and combined load-bearing capacity.
Both the outer ring and inner ring of this bearing are designed as integrated structures. During installation, performance is minimally affected, allowing stable rotational accuracy and torque to be maintained. It is mainly used in the output section of SHG and SHF series reducers.
Precautions
Before installation, thoroughly clean the bearing housing, shaft, and other mating components to remove oil, contaminants, and debris. Ensure there are no burrs or sharp edges. Verify that the fitting tolerances between the housing bore and bearing outer diameter, as well as between the shaft journal and bearing inner diameter, meet the specified requirements.
When tightening the mounting bolts, the fastening process should be carried out gradually in 3 to 4 stages, from partial tightening to full tightening. Follow a diagonal (cross-pattern) sequence and repeat the tightening process. The tightening torque of the bolts can be determined by referring to the recommended torque values for crossed roller bearing mounting bolts in the table below.
|
Bearing model |
Basic external dimensions |
Outer ring mounting holes |
Inner ring mounting holes |
Basic rated load |
Product weight kg |
||||||||||||||
|
d |
d3 |
D |
H |
C |
B |
B1 |
d1 |
d2 |
h |
dm |
Mounting hole size 1 |
Mounting hole size 2 (Reverse side of the seal) |
dn |
Mounting hole size (Sealed front) |
Mounting hole size (Sealed front) |
Cr |
Cor |
||
|
Unit: mm |
KN |
||||||||||||||||||
|
SHG(SHF)-14 |
φ38 |
φ36 |
φ70 |
15.1 |
14.1 |
14.6 |
5 |
φ57 |
φ53 |
1.2 |
φ64 |
8-φ3.5 |
2-M3 (Silk Depth 8) |
φ44 |
12-M3 (Silk Depth 6) |
/ |
5.8 |
8.6 |
0.25 |
|
SHG(SHF)-17 |
φ47 |
φ44.1 |
φ80 |
17 |
16 |
16.4 |
6.5 |
φ68.1 |
φ64.1 |
1.2 |
φ74 |
12-φ3.5 |
4-M3 (Silk Depth 8) |
φ54 |
20-M3 (Silk Depth 6) |
/ |
10.4 |
16.3 |
0.35 |
|
SHG(SHF)-20 |
φ54 |
/ |
φ90 |
18.5 |
17.5 |
17.5 |
/ |
f78 |
φ72.6 |
1.6 |
φ84 |
12-φ3.5 |
4-M3 (Silk Depth 6) |
φ62 |
16-M3 (Silk Depth 6) |
4-M3 (Silk Depth 6) |
14.6 |
22 |
0.5 |
|
SHG(SHF)-25 |
φ67 |
φ65 |
φ110 |
20.7 |
18.7 |
19.7 |
7.5 |
φ94.8 |
φ90 |
1.45 |
φ102 |
12-φ4.5 |
4-M3 (Silk Depth 6) |
f77 |
16-M4 (Silk Depth 8) |
4-M3 (Silk Depth 6) |
21.8 |
35.8 |
0.8 |
|
SHG(SHF)-32 |
f88 |
φ84 |
φ142 |
24.4 |
23.4 |
23.4 |
8 |
φ123 |
φ117.6 |
1.6 |
φ132 |
12-φ5.5 |
4-M4 (Silk Depth 8) |
φ100 |
16-M5 (Silk Depth 8) |
4-M4 (Silk Depth 8) |
38.2 |
65.4 |
1.65 |
|
SHG(SHF)-40 |
φ108 |
φ106 |
φ170 |
30 |
29 |
28.5 |
9.5 |
φ148 |
φ142.6 |
1.55 |
φ158 |
12-φ6.6 |
6-M4 (Silk Depth 9) |
φ122 |
16-M6 (Silk Depth 10) |
4-M5 (Silk Depth 10) |
43.3 |
81.6 |
2.8 |
|
SHG(SHF)-45 |
φ120 |
φ118 |
φ190 |
33 |
32 |
34.5 |
10 |
φ170 |
φ164 |
1.55 |
φ180 |
18-φ6.6 |
6-M4 (Silk Depth 8) |
φ140 |
12-M8 (Silk Depth 10) |
4-M5 (Silk Depth 8) |
77.6 |
135 |
4.3 |
|
SHG(SHF)-50 |
φ135 |
φ129 |
φ214 |
36 |
34 |
34.5 |
/ |
φ188 |
φ182.6 |
1.6 |
φ200 |
12-φ9 |
6-M5 (Silk Depth 12) |
φ154 |
16-M8 (Silk Depth 12) |
8-M5 (Silk Depth 10) |
81.6 |
149 |
5 |

What Forklift Mast Roller Bearings Do Forklift mast roller bearings, also calle...
READ MORE
Critical Function and Selection Criteria The forklift slewing bearing serves as...
READ MORE
What Is a Forklift Mast Roller Bearing A forklift mast roller bearing is a spec...
READ MORE
What a Forklift Wheel Chain and Chain Wheel Actually Do The forklift wheel chai...
READ MORE
Introduction to Rotational Components in Material Handling In the demanding worl...
READ MORE