What Forklift Mast Roller Bearings Do Forklift mast roller bearings, also calle...
READ MORE
Stock code: 920002
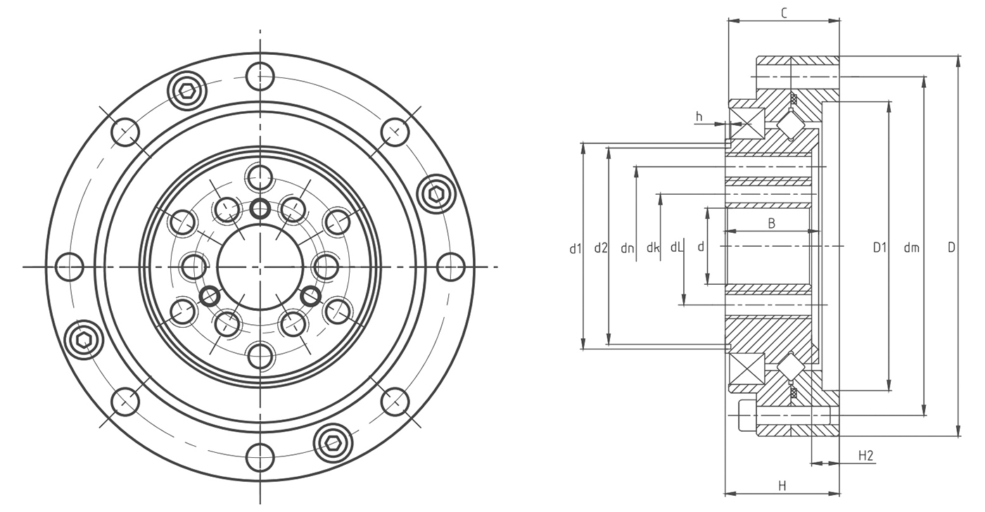
Crossed roller bearings for harmonic reducers can be classified into two main structural types according to their application: split outer ring with integrated inner ring, and both outer and inner rings integrated. The rolling elements are cylindrical rollers arranged perpendicular to each other at 90° within V-shaped raceways. This design enables the bearing to simultaneously withstand loads in all directions, including axial loads, radial loads, and overturning moments. The bearing features high precision, high rigidity, low friction, and combined load-bearing capacity.
The CSG (CSF) type adopts a split outer ring and an integrated inner ring design. It does not require a flange or bearing housing during installation and is mainly used in the output section of CSG and CSF series reducers.
Precautions
Before installation, thoroughly clean the bearing housing, shaft, and other mating components to remove oil, contaminants, and debris. Ensure there are no burrs or sharp edges. Verify that the fitting tolerances between the housing bore and bearing outer diameter, as well as between the shaft journal and bearing inner diameter, meet the specified requirements.
When tightening the mounting bolts, the fastening process should be carried out gradually in 3 to 4 stages, from partial tightening to full tightening. Follow a diagonal (cross-pattern) sequence and repeat the tightening process. The tightening torque of the bolts can be determined by referring to the recommended torque values for crossed roller bearing mounting bolts in the table below.
|
Bearing model |
Basic external dimensions |
Outer ring mounting holes |
Inner ring mounting holes |
Inner ring positioning hole |
Basic rated load |
Product weight kg |
|||||||||||||||
|
d |
D |
H |
C |
B |
H2 |
D1 |
d1 |
d2 |
dm |
Mounting hole size |
dn |
Mounting hole size |
dL |
Mounting hole size |
dk |
Mounting hole size |
Cr |
Cor |
|||
|
Unit: mm |
KN |
||||||||||||||||||||
|
CSG(CSF)-14 |
φ11 |
φ55 |
16.5 |
16 |
13.5 |
4 |
φ41.8 |
φ29.8 |
φ28.4 |
φ49 |
8-φ3.5 |
φ23 |
6-M4 |
φ17 |
6-M4 |
φ15 |
3-φ3 |
4.7 |
6.7 |
0.21 |
|
|
CSG(CSF)-14K3 |
φ11 |
φ55 |
16.5 |
16 |
13.5 |
4 |
φ41.8 |
φ29.8 |
φ28.4 |
φ49 |
8-φ3.5 |
φ23 |
6-M4 |
φ17 |
6-M4 |
φ15 |
3-φ2.5 |
4.7 |
6.7 |
0.21 |
|
|
CSG(CSF)-17 |
φ10 |
φ62 |
16.5 |
16 |
13.5 |
4 |
φ49 |
φ36 |
φ33.8 |
φ56 |
10-φ3.5 |
φ27 |
6-M5 |
φ19 |
6-M5 |
φ15 |
3-φ3 |
5.3 |
7.5 |
0.25 |
|
|
CSG(CSF)-20 |
φ14 |
φ70 |
16.5 |
16 |
13.5 |
4.5 |
φ56.5 |
φ42.8 |
φ40 |
φ64 |
12-φ3.5 |
φ32 |
8-M6 |
φ24 |
8-M5 |
φ19 |
4-φ3 |
5.8 |
9.0 |
0.3 |
|
|
CSG(CSF)-25 |
φ20 |
φ85 |
18.5 |
18 |
16.5 |
3.5 |
φ67 |
φ55.3 |
φ52.6 |
φ79 |
16-φ3.5 |
φ42 |
8-M8 |
φ30 |
8-M6 |
φ26 |
4-φ3 |
9.6 |
15.1 |
0.5 |
|
|
CSG(CSF)-32 |
φ26 |
φ112 |
22.5 |
21.5 |
19 |
4.5 |
φ90 |
φ74 |
φ68.6 |
φ104 |
16-φ4.5 |
φ55 |
8-M10 |
φ40 |
8-M8 |
φ34 |
4-φ5 |
15 |
25 |
1.1 |
|
|
CSG(CSF)-40 |
φ32(24) |
φ126 |
24 |
22.5 |
21.5 |
4.5 |
φ105 |
φ86 |
φ81.2 |
φ117 |
20-φ4.5 |
φ68 |
8-M10 |
φ50 |
8-M10 |
φ42 |
4-φ5 |
21.3 |
36.5 |
1.5 |
|
|
CSG(CSF)-45 |
φ32(25) |
φ147 |
27 |
26 |
23 |
6 |
φ121 |
φ103 |
φ97.6 |
φ137 |
16-φ5.5 |
φ82 |
8-M12 |
φ54 |
8-M12 |
φ60 |
4-φ5 |
23 |
42.6 |
2.3 |
|
|
CSG(CSF)-50 |
φ40(32) |
φ157 |
31 |
30 |
28 |
5 |
φ131.6 |
φ108 |
φ102.6 |
φ147 |
16-φ5.5 |
φ84 |
8-M14 |
φ60 |
8-M14 |
φ50 |
4-φ5 |
34.8 |
60.2 |
5 |
|
|
CSG(CSF)-65 |
φ52(44) |
φ210 |
39 |
37 |
35 |
7 |
φ176 |
φ138 |
φ132.6 |
φ198 |
20-φ6.6 |
φ110 |
8-M16 |
φ80 |
8-M16 |
φ64 |
4-φ6 |
55.6 |
103 |
8 |
|

What Forklift Mast Roller Bearings Do Forklift mast roller bearings, also calle...
READ MORE
Critical Function and Selection Criteria The forklift slewing bearing serves as...
READ MORE
What Is a Forklift Mast Roller Bearing A forklift mast roller bearing is a spec...
READ MORE
What a Forklift Wheel Chain and Chain Wheel Actually Do The forklift wheel chai...
READ MORE
Introduction to Rotational Components in Material Handling In the demanding worl...
READ MORE